HP-Klemmen

Zink-nikkel

Toon varianten als lijst

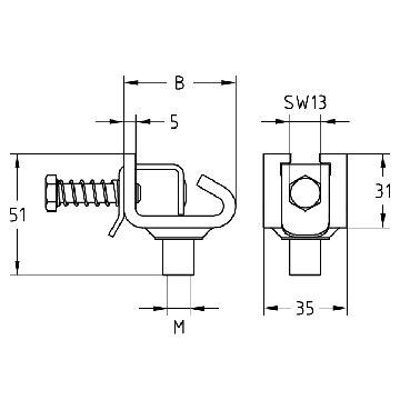
Aansluitdraad:

M8/M10
Selecteer een variant voor meer informatie, afbeeldingen en documenten.

Toepassing

  • Voor het eenvoudig en snel bevestigen van bevestigingspunten aan HP-profielen van de scheepsstructuur zonder laswerkzaamheden

Uw voordelen

  • Door slechts één schroefverbinding kost de montage minder tijd in vergelijking met conventionele bevestigingen.
  • Directe en flexibele bevestiging op elke gewenste positie van het HP-profiel
  • Eenvoudigemontage achteraf, ook na voltooiing van de 'hete werkzaamheden
  • Antislipbevestiging door middel van een klemmechanisme zonder beschadiging van de corrosiebescherming
  • Lichtgewicht constructie om te voldoen aan de eisen van gewichtsvermindering in de scheepsbouw
  • hoge belastingsopname tot 4,5 kN
eCl@ss 7.1
23-15-92-01
eCl@ss 11.1
23-14-03-90
Aandraaimoment
15 Nm
Meer technische details zijn te vinden in het gegevensblad.