MPT Railbeugels

MPT-Railbeugel voor profiel Q100, thermisch verzinkt

art.nr.: 138640
Voor profielen: Q100-2,5, Q100-3,5
Verp.eenheid: 1 stuk
Gewicht/Eenh.: 2,602 kg
stuk

Toepassing

  • Voor kruisverbindingen van MPT draagprofielen Q50, Q80 en Q100

Uw voordelen

  • Snelle en veilige montage d.m.v. slobgaten in combinatie met MPT Hamerkopbouten
  • Thermisch verzinkt voor binnen- en buitengebruik
Basisgegevens tekst
MPT-Railbeugel voor profiel Q100, thermisch verzinkt
Railsystemen
voor MPT-profielen
Producttype
Railmontage-elementen
Voor profielen
Q100-2,5, Q100-3,5
Materiaal
Staal
Oppervlakte
thermisch verzinkt
eCl@ss 11.1
23-36-02-90
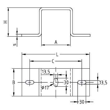
Dikte s
8 mm
eCl@ss 7.1
23-36-02-90
Maat B
100 mm
Maat A
106 mm
Maat H
106 mm
Maat L
246 mm
Douanetariefnummer
73089059
Meer technische details zijn te vinden in het gegevensblad.