MPC Systeemrails

MPC-Systeemrail 38/24, lengte 2.000 mm, gegalvaniseerd

art.nr.: 139920
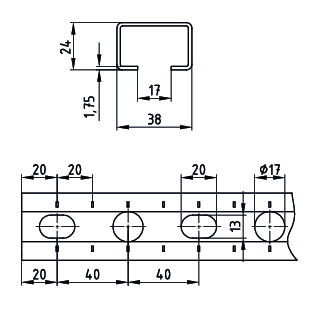
Profiel: 38/24/1,75
Lengte: 2000 mm
Oppervlakte: gegalvaniseerd
Verp.eenheid: 10 stuk
Gewicht/Eenh.: 2,428 kg
stuk

Toepassing

  • Ideaal ook als draagconstructie voor luchtkanalen in droge binnenruimtes
  • Veelvuldige montagemogelijkheden voor installaties en stellages in combinatie met de omvangrijke systeembouwdelen

Uw voordelen

  • Snelle en rationele bevestiging van leidingstramienen en leidingtraversen
  • Maatvoeringsstrepen zijdelings en op de sleufkant vereenvoudigen de uitrichting van bevestigingselementen bij de installatie en vergemakkelijken het op maat maken van de profielen op de werkplek
  • Voor veilige zijdelingse en hoogteverstelbare bevestigingen
  • Hoge buigvastheid door gunstige profieldwarsdoorsnede
  • Voor de opbouw van statisch juist bemeten constructies door middel van veelvoud aan verbindingsdelen
  • Passende geluiddempelementen voor alle railprofielen
  • Mooi optisch beeld door de toepassing van MPC-afsluitkappen
Basisgegevens tekst
MPC-Systeemrail 38/24, lengte 2.000 mm, gegalvaniseerd
Railsystemen
voor MPC profielen
Producttype
Rails
Profiel
38/24/1,75
Materiaal
Staal
Oppervlakte
gegalvaniseerd
Lengte
2.000 mm
eCl@ss 11.1
23-36-01-90
eCl@ss 7.1
23-15-91-01
ETA toelating
Ja
Douanetariefnummer
72166110
Meer technische details zijn te vinden in het gegevensblad.