Hoek- en T-Verbindingsplaat

RVS 3.16 MPC/MPR-T-Verbindingsplaat voor profiel 38/40-40/60, 41/21-41/124

art.nr.: 159474
Type: T-Verbindingsplaat
Oppervlakte: RVS 3.16
Verp.eenheid: 1 stuk
Gewicht/Eenh.: 0,220 kg
stuk

Toepassing

  • Stabiele verbindingselementen voor frames en inbouwinstallaties met de MPC en MPR systeemcomponenten

Uw voordelen

  • Eenvoudige en snelle montage van Hoek- en T-Verbindingen
  • De montageplaten maken framesconstructies in een vlak met gelijke uitrichting van de railsleuf
  • Gatafstanden maken de doorsteekmontage met de MPC en MPR Systeemrails mogelijk
Basisgegevens tekst
RVS 3.16 MPC/MPR-T-Verbindingsplaat voor profiel 38/40-40/60, 41/21-41/124
Railsystemen
voor MPR profielen | voor MPC profielen
Type
T-Verbindingsplaat
Producttype
Railmontage-elementen
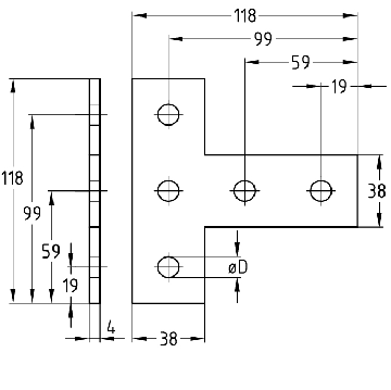
Voor profielen
38/40, 40/60, 41/21-41/124
Materiaal
RVS 3.16
Oppervlakte
RVS 3.16
eCl@ss 11.1
23-36-02-90
eCl@ss 7.1
23-36-02-90
Diameter D
13,5 mm
Gatdiameter
13,5 mm
Douanetariefnummer
73269060
Meer technische details zijn te vinden in het gegevensblad.