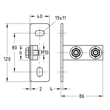
MPC Kopflens

RVS 3.04 MPC-Kopflens lengte voor profiel 38/40

art.nr.: 156802
Uitvoering: lengte
Voor profielen: 38/40
Oppervlakte: RVS 3.04
Verp.eenheid: 10 stuk
Gewicht/Eenh.: 0,290 kg
stuk

Toepassing

  • Ideaal ter bevestiging van MPC Systeemrails als traversen in schachten en kanalen
  • Voor de verbinding van 2 rails in een rechte hoek bij een verschillende uitlijning van de railsleuf
  • Toepasbaar als vloer- of plafondflens voor verticale staande MPC Systeemrails

Uw voordelen

  • De verticale en horizontale gaten in de grondplaat maakt een goede hoogte-uitrichting van de kopflens mogelijk
  • Compleet geleverd met twee voorgemonteerde klembouten
Basisgegevens tekst
RVS 3.04 MPC-Kopflens lengte voor profiel 38/40
Railsystemen
voor MPC profielen
Uitvoering
lengte
Producttype
Railmontage-elementen
Voor profielen
38/40
Materiaal
RVS 3.04
Oppervlakte
RVS 3.04
eCl@ss 7.1
23-36-02-90
eCl@ss 11.1
23-36-02-90
Maat b
30 mm
Douanetariefnummer
73269060
Meer technische details zijn te vinden in het gegevensblad.