Glijsleeën 2,3 kN

Roestvaststaal

Toon varianten als lijst

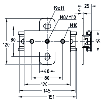
Aansluitdraad:

M8/M10
Selecteer een variant voor meer informatie, afbeeldingen en documenten.

Toepassing

  • Voor de bevestiging van leidingen met temperatuurafhankelijke uitzettingen
  • Geschikt voor plafondmontage, verticale leidingen, vloermontage of kruisbevestiging
  • Montagemogelijkheden voor hangende en staande leidingbevestiging
  • Glijbevestiging in kruisverband voor glijweg in axiale en radiale richting van de leiding

Uw voordelen

  • Vlakke compacte bouwvorm met een geringe constructiehoogte voor een zekere montage bij weinig montageruimte
  • Grote glijweg van maximaal 76 mm
  • Hoge toepassingsflexibiliteit door drievoudige bevestigingsmogelijkheid van buisklemmen
  • Afhankelijk van de toepassing kunnen één of twee buisklemmen bevestigd worden
Producttype
Glijbevestigingen
eCl@ss 11.1
23-05-01-01
eCl@ss 7.1
23-05-01-01
Meer technische details zijn te vinden in het gegevensblad.