MPT Zadelflens

MPT-Zadelflens voor profiel Q50, thermisch verzinkt

Toon varianten als lijst
art.nr.: 131837
Voor profielen: Q50-2,5
Verp.eenheid: 1 stuk
Gewicht/Eenh.: 4,850 kg
stuk

Toepassing

  • Stabiele zadelflens in drie groottes voor de opname van MPT draagprofielen Q50, Q80, Q100 of Q150 voor de aansluiting aan wand, vloer en plafond

Uw voordelen

  • Voor een doordachte en snelle montage van traversen van MPT draagprofielen
  • Stabiele grondplaat voor een veilige bevestiging aan het bouwwerk
  • Thermisch verzinkt voor binnen- en buitengebruik
  • Rondom gelaste uitvoering van het geprofileerde oplegzadel zorgt voor hoge vormstabiliteit van de flens
Basisgegevens tekst
MPT-Zadelflens voor profiel Q50, thermisch verzinkt
Railsystemen
voor MPT-profielen
Producttype
Railmontage-elementen
Voor profielen
Q50-2,5
Materiaal
Staal
Oppervlakte
thermisch verzinkt
eCl@ss 7.1
23-36-02-90
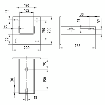
Maat B
150 mm
eCl@ss 11.1
23-36-02-90
Maat A
200 mm
Maat a
57 mm
Maat a1
37 mm
Maat b
72 mm
Maat L
258 mm
Maat l1
75 mm
Maat l2
150 mm
Maat s
8 mm
Max. aanbevolen trekbelasting
12.500 N
Aandraaimoment
65 Nm
Douanetariefnummer
73269060
Meer technische details zijn te vinden in het gegevensblad.