MPC Systeemrails

MPC-Systeemrail 40/80, lengte 6.000 mm, thermisch verzinkt

art.nr.: 130022
Verp.eenheid: 1 stuk
Gewicht/Eenh.: 28,080 kg
stuk

Toepassing

  • Ideaal voor leidingmontages zoals draagconstructies voor luchtkanalen
  • Veelvuldige montagemogelijkheden voor installaties en stellages in combinatie met de omvangrijke systeembouwdelen
  • Voor buitenmontage geschikt

Uw voordelen

  • Snelle en rationele bevestiging van leidingstramienen en leidingtraversen
  • Maatvoeringsstrepen zijdelings en op de sleufkant vereenvoudigen de uitrichting van bevestigingselementen bij de installatie en vergemakkelijken het op maat maken van de profielen op de werkplek
  • Voor veilige zijdelingse en hoogteverstelbare bevestigingen
  • Hoge buigvastheid door gunstige profieldwarsdoorsnede
  • Voor de opbouw van statisch juist bemeten constructies door middel van veelvoud aan verbindingsdelen
  • Passende geluiddempelementen voor alle railprofielen
  • Mooi optisch beeld door de toepassing van MPC-afsluitkappen
Basisgegevens tekst
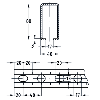
MPC-Systeemrail 40/80, lengte 6.000 mm, thermisch verzinkt
Railsystemen
voor MPC profielen
Producttype
Rails
Profiel
40/80/3,0
Materiaal
Staal
Oppervlakte
thermisch verzinkt
eCl@ss 7.1
23-36-01-90
Lengte
6.000 mm
eCl@ss 11.1
23-36-01-90
ETA toelating
Ja
Douanetariefnummer
72166110
Meer technische details zijn te vinden in het gegevensblad.