MPC Zadelflens

MPC-Zadelflens lengte voor profiel 38/80 en 40/80, gegalvaniseerd

art.nr.: 156812
Uitvoering: dubbele
Type: niet voorgemonteerd
Voor profielen: 38/80, 40/80
Verp.eenheid: 1 stuk
Gewicht/Eenh.: 1,570 kg
stuk

Toepassing

  • Eenvoudige montage van stabiele traversen uit MPC Systeemrails
  • Ideaal toepasbaar bij nauwe bouwomstandigheden in schachten en kanalen

Uw voordelen

  • De verticale en horizontale gaten in de grondplaat maakt een uitrichting van de flens mogelijk
  • Goede belastingsverdeling door de buigvaste zadelverbinding
  • Het ideale verbindingselement bij railconstructies
  • Uitvoering voor profiel 38/80 en 40/120 met torsieveilige ligging door wederzijds omvatten van het railprofiel
Basisgegevens tekst
MPC-Zadelflens lengte voor profiel 38/80 en 40/80, gegalvaniseerd
Railsystemen
voor MPC profielen
Type
niet voorgemonteerd
Uitvoering
dubbele
Producttype
Railmontage-elementen
Voor profielen
38/80, 40/80
Materiaal
Staal
Oppervlakte
gegalvaniseerd
eCl@ss 11.1
23-36-01-91
eCl@ss 7.1
23-15-92-90
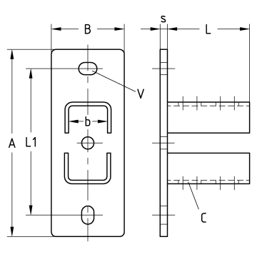
Maat B
80 mm
Maat A
205 mm
Maat b
42 mm
Maat C [mm]
13 x 25 mm
Maat L
90 mm
Maat L1
160 mm
Maat s
8 mm
Maat V
13,5 x 20 mm
Douanetariefnummer
73269060
Meer technische details zijn te vinden in het gegevensblad.