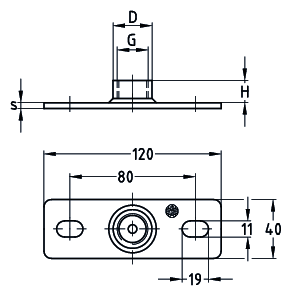
Grondplaten met sok

rondom gelast, gegalvaniseerd

Toon varianten als lijst
Selecteer een variant voor meer informatie, afbeeldingen en documenten.