Grondplaten met sok

Grondplaat type 2 met opgelaste Sok 3/4", gegalvaniseerd

Toon varianten als lijst
art.nr.: 112443
Draad: ¾″
Maat: 2
Verp.eenheid: 50 stuk
Gewicht/Eenh.: 0,169 kg
stuk
Basisgegevens tekst
Grondplaat type 2 met opgelaste Sok 3/4", gegalvaniseerd
Producttype
Grondplaten
Draad
¾″
Materiaal
Staal
Oppervlakte
gegalvaniseerd
Maat
2
eCl@ss 7.1
23-15-90-90
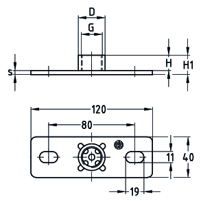
Gat midden hartafstand C
80 mm
eCl@ss 11.1
23-15-90-90
Maat b
40 mm
Maat D
31,8 mm
Maat L
120 mm
Maat s
4 mm
Sleufgat V
11 x 19 mm
Douanetariefnummer
73269060
Meer technische details zijn te vinden in het gegevensblad.