PHONOLYT® Knop

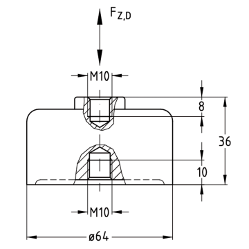
PHONOLYT® Knop, M10, gegalvaniseerd

art.nr.: 120442
Verp.eenheid: 1 stuk
Gewicht/Eenh.: 0,368 kg
stuk

Toepassing

  • Ideaal voor geluidsontkoppelende bevestiging van aggregaten zoals bv. CV-ketels, pompen, motoren, airconditionings- en luchtbehandelingsapparaten, evenals ook tanks, MPC Systeemrails, enz.
  • Passend voor geluidsontkoppelende bevestigingen aan plafond, wand of vloer
  • Voor geluidsontkoppelend leiding vastpunt
  • De ideale bouwsteen voor geluidsontkoppelende vastpuntmontage bij geluidsnormen volgens DIN 4109 en VDI 4100
  • Veelzijdig toepasbaar, bv. voor geluidsontkoppeling van draagconstructies uit MPC Systeemrails

Uw voordelen

  • Prestatieverlangende puntbevestiging met uitstekende geluidsontkoppeling tot 25 dB(A)
  • Hoge belastbaarheid in alle richtingen
  • Tijdsbesparende montage door een aansluitdraad aan elke zijde
  • Door bevestigingsmogelijkheid met behulp van draadeinden of zeskantbouten ideaal in hoogte instelbaar
  • Zekerheid door ingevulcaniseerde draagankers
  • Doeltreffende onderbreking van geluidsbruggen door het gevulkaniseerde MÜPROLAN
  • Vrij van siliconen
Basisgegevens tekst
PHONOLYT® Knop, M10, gegalvaniseerd
Materiaal
Staal
Oppervlakte
gegalvaniseerd
Aansluitdraad
M10
eCl@ss 7.1
25-02-04-12
eCl@ss 11.1
23-18-90-90
Geteste geluiddemping
Ja
Max. aanbevolen drukbelasting
1.500 N
Max. aanbevolen belasting dwars
1.500 N
Max. aanbevolen trekbelasting
1.500 N
Geluiddempingswaarde gemiddeld
25 dB(A)
Douanetariefnummer
73269060
Meer technische details zijn te vinden in het gegevensblad.