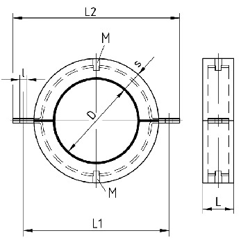
ISO-Beugels Type 170 EX

gegalvaniseerd

Selecteer een variant voor meer informatie, afbeeldingen en documenten.

Toepassing

  • Thermische ontkoppelende bevestiging van leidingen in de koudetechniek
  • Geschikt voor de bevestigingen in de installatiebranche zoals, verwarming, koudetechniek, warme en koude waterleidingen
  • Stabiel isolatielichaam voor zware belastingen

Uw voordelen

  • Verbindingslippen (zonder sluitbouten) aan de buitenkant
  • Metrische aansluitdraad aan weerszijden
  • Hoge waterdampdiffusieweerstand
  • Met kautschuk inlegstrip aan de raakvlakken van de ISO-schaal waardoor er geen PU-afdichtingskit gebruikt hoeft te worden
  • Bij uitstek geschikt voor het afschermen van afzonderlijke leidingdelen bij waterdampdoorlatende isolatiematerialen (steenwol)
Producttype
Koudebeugels
Geluidsdempende inlegstrip
Zonder inlegstrip
eCl@ss 11.1
23-14-02-90
eCl@ss 7.1
23-14-02-90
Meer technische details zijn te vinden in het gegevensblad.