Hoek- en T-Verbindingsplaat

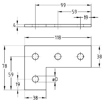
RVS 3.16 MPC/MPR-Hoekplaat voor profiel 38/40-40/60, 41/21-41/124

Toon varianten als lijst
art.nr.: 159473
Type: Hoekplaat
Oppervlakte: RVS 3.16
Verp.eenheid: 1 stuk
Gewicht/Eenh.: 0,175 kg
stuk

Toepassing

  • Stabiele verbindingselementen voor frames en inbouwinstallaties met de MPC en MPR systeemcomponenten

Uw voordelen

  • Eenvoudige en snelle montage van Hoek- en T-Verbindingen
  • De montageplaten maken framesconstructies in een vlak met gelijke uitrichting van de railsleuf
  • Gatafstanden maken de doorsteekmontage met de MPC en MPR Systeemrails mogelijk
Basisgegevens tekst
RVS 3.16 MPC/MPR-Hoekplaat voor profiel 38/40-40/60, 41/21-41/124
Railsystemen
voor MPC profielen | voor MPR profielen
Type
Hoekplaat
Producttype
Railmontage-elementen
Voor profielen
38/40, 40/60, 41/21-41/124
Materiaal
RVS 3.16
Oppervlakte
RVS 3.16
eCl@ss 11.1
23-36-02-90
eCl@ss 7.1
23-36-02-90
Diameter D
13,5 mm
Gatdiameter
13,5 mm
Douanetariefnummer
73089059
Meer technische details zijn te vinden in het gegevensblad.